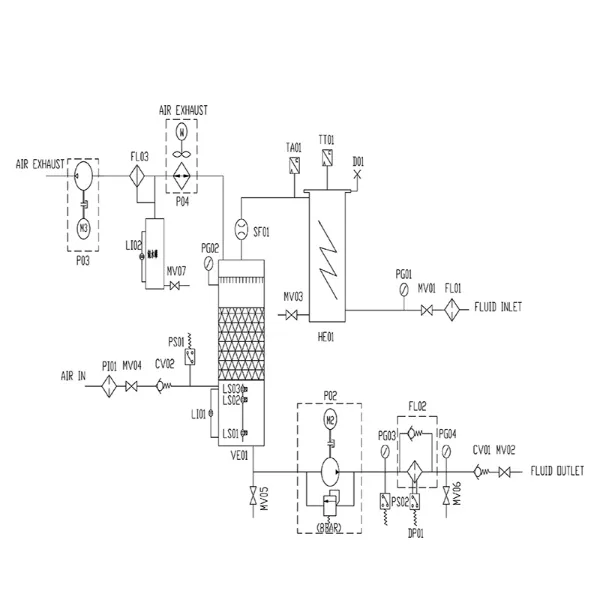
VKVP mobile oil purifier can remove water, contaminative particles and air in hydraulic and lubricating oil with various viscosities.The power supply parameters shown on the name plate include the voltage rating of the pump motor. Part of the control voltage is DC 20V. Functions :Water: 100% free wa......








Excavator Good Quality Oil/Fuel/Water/Air/Hydraulic Filter Fj-3069 1907584 Lf3594 C-5705 Oil Filter
Waste Edible Oil Filtering and Recycling Machine
Luc Lube Oil Filter Machineluc100
Hot Low Price Replacement Hydraulic Oil Filter Efficiency Precision Hydac Filter
More Popular Air Compressor Oil Filter W962
Oil Filter Cover for Toyota 15650-38010