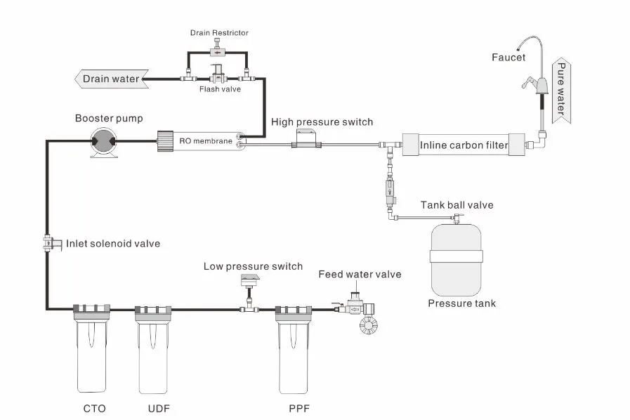
SPECIFICATIONRO system with 5 stages
First stage: PP Spun 5 micron
Second stage: UDF filter ( actived carbon granular) 5 micron
Third stage: CTO filter 5 micron
Forth stage: RO membrane
Fifth stage: T33 actived carbon
Purified water capacity: 200GPD(756L)/Day or 300 GPD or 400 GPD
Type of flushin:automatic flushing solenlid with flow restrctor
Filter housing/Faucet:optional
Connector:common connector
Reverse osmosis membrane 200GPD
Pressure tank:11G STEEL PRESSURE TANK(OPTIONAL 20G STEEL PRESSURE TANK)
Booster pump: 24vdc transformenr 110v/220v-24VDC
Single unit package dimension:44*25*85CM
Tank size:42*42*55CM

